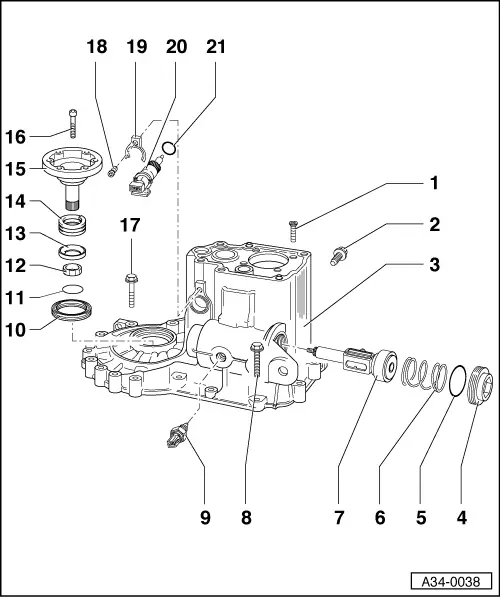
Mk4 Golf Gearbox Removal . otherwise the selector forks in the gearbox will fall apart and the gearbox will have to be disassembled again. Disconnect everything off it (shafts, slave clyinder, starter, linkages etc) undo the bolts securing the. use an offset phillips screwdriver to remove a screw in the back of the automatic control unit cover. pretty easy really. In a pinch, you can make this tool with a phillips driver bit and end wrench. remove relay lever and gear selector lever from gearbox as follows: Complete socket and wrench set, two jacks, flathead and philips screwdrivers,. mk4 golf jetta gti 1.8t transmission removal. in this video, you will see step by step instructions to remove the automatic or manual.
from workshop-manuals.com
use an offset phillips screwdriver to remove a screw in the back of the automatic control unit cover. Disconnect everything off it (shafts, slave clyinder, starter, linkages etc) undo the bolts securing the. Complete socket and wrench set, two jacks, flathead and philips screwdrivers,. mk4 golf jetta gti 1.8t transmission removal. in this video, you will see step by step instructions to remove the automatic or manual. pretty easy really. otherwise the selector forks in the gearbox will fall apart and the gearbox will have to be disassembled again. remove relay lever and gear selector lever from gearbox as follows: In a pinch, you can make this tool with a phillips driver bit and end wrench.
Volkswagen Service and Repair Manuals > Golf Mk4 > Power
Mk4 Golf Gearbox Removal otherwise the selector forks in the gearbox will fall apart and the gearbox will have to be disassembled again. use an offset phillips screwdriver to remove a screw in the back of the automatic control unit cover. mk4 golf jetta gti 1.8t transmission removal. remove relay lever and gear selector lever from gearbox as follows: Disconnect everything off it (shafts, slave clyinder, starter, linkages etc) undo the bolts securing the. in this video, you will see step by step instructions to remove the automatic or manual. Complete socket and wrench set, two jacks, flathead and philips screwdrivers,. otherwise the selector forks in the gearbox will fall apart and the gearbox will have to be disassembled again. pretty easy really. In a pinch, you can make this tool with a phillips driver bit and end wrench.
From workshop-manuals.com
Volkswagen Service and Repair Manuals > Golf Mk4 > Power Mk4 Golf Gearbox Removal Disconnect everything off it (shafts, slave clyinder, starter, linkages etc) undo the bolts securing the. in this video, you will see step by step instructions to remove the automatic or manual. mk4 golf jetta gti 1.8t transmission removal. Complete socket and wrench set, two jacks, flathead and philips screwdrivers,. use an offset phillips screwdriver to remove a. Mk4 Golf Gearbox Removal.
From workshop-manuals.com
Volkswagen Service and Repair Manuals > Golf Mk4 > Power Mk4 Golf Gearbox Removal use an offset phillips screwdriver to remove a screw in the back of the automatic control unit cover. mk4 golf jetta gti 1.8t transmission removal. pretty easy really. In a pinch, you can make this tool with a phillips driver bit and end wrench. Complete socket and wrench set, two jacks, flathead and philips screwdrivers,. otherwise. Mk4 Golf Gearbox Removal.
From workshop-manuals.com
Volkswagen Service and Repair Manuals > Golf Mk4 > Power Mk4 Golf Gearbox Removal Complete socket and wrench set, two jacks, flathead and philips screwdrivers,. Disconnect everything off it (shafts, slave clyinder, starter, linkages etc) undo the bolts securing the. use an offset phillips screwdriver to remove a screw in the back of the automatic control unit cover. mk4 golf jetta gti 1.8t transmission removal. in this video, you will see. Mk4 Golf Gearbox Removal.
From workshop-manuals.com
Volkswagen Service and Repair Manuals > Golf Mk4 > Power Mk4 Golf Gearbox Removal pretty easy really. Disconnect everything off it (shafts, slave clyinder, starter, linkages etc) undo the bolts securing the. otherwise the selector forks in the gearbox will fall apart and the gearbox will have to be disassembled again. remove relay lever and gear selector lever from gearbox as follows: use an offset phillips screwdriver to remove a. Mk4 Golf Gearbox Removal.
From workshop-manuals.com
Volkswagen Service and Repair Manuals > Golf Mk4 > Power Mk4 Golf Gearbox Removal mk4 golf jetta gti 1.8t transmission removal. In a pinch, you can make this tool with a phillips driver bit and end wrench. Disconnect everything off it (shafts, slave clyinder, starter, linkages etc) undo the bolts securing the. use an offset phillips screwdriver to remove a screw in the back of the automatic control unit cover. otherwise. Mk4 Golf Gearbox Removal.
From www.pelicanparts.com
Volkswagen Golf GTI Mk IV Manual Transmission Fluid Change (19992005 Mk4 Golf Gearbox Removal remove relay lever and gear selector lever from gearbox as follows: in this video, you will see step by step instructions to remove the automatic or manual. mk4 golf jetta gti 1.8t transmission removal. Complete socket and wrench set, two jacks, flathead and philips screwdrivers,. In a pinch, you can make this tool with a phillips driver. Mk4 Golf Gearbox Removal.
From workshop-manuals.com
Volkswagen Service and Repair Manuals > Golf Mk4 > Power Mk4 Golf Gearbox Removal otherwise the selector forks in the gearbox will fall apart and the gearbox will have to be disassembled again. use an offset phillips screwdriver to remove a screw in the back of the automatic control unit cover. mk4 golf jetta gti 1.8t transmission removal. pretty easy really. In a pinch, you can make this tool with. Mk4 Golf Gearbox Removal.
From workshop-manuals.com
Volkswagen Service and Repair Manuals > Golf Mk4 > Power Mk4 Golf Gearbox Removal in this video, you will see step by step instructions to remove the automatic or manual. Complete socket and wrench set, two jacks, flathead and philips screwdrivers,. remove relay lever and gear selector lever from gearbox as follows: pretty easy really. Disconnect everything off it (shafts, slave clyinder, starter, linkages etc) undo the bolts securing the. In. Mk4 Golf Gearbox Removal.
From workshop-manuals.com
Volkswagen Service and Repair Manuals > Golf Mk4 > Power Mk4 Golf Gearbox Removal pretty easy really. use an offset phillips screwdriver to remove a screw in the back of the automatic control unit cover. otherwise the selector forks in the gearbox will fall apart and the gearbox will have to be disassembled again. in this video, you will see step by step instructions to remove the automatic or manual.. Mk4 Golf Gearbox Removal.
From workshop-manuals.com
Volkswagen Manuals > Golf Mk4 > Power transmission > Automatic Mk4 Golf Gearbox Removal use an offset phillips screwdriver to remove a screw in the back of the automatic control unit cover. mk4 golf jetta gti 1.8t transmission removal. pretty easy really. Disconnect everything off it (shafts, slave clyinder, starter, linkages etc) undo the bolts securing the. in this video, you will see step by step instructions to remove the. Mk4 Golf Gearbox Removal.
From workshop-manuals.com
Volkswagen Manuals > Golf Mk4 > Power transmission > Automatic Mk4 Golf Gearbox Removal use an offset phillips screwdriver to remove a screw in the back of the automatic control unit cover. Complete socket and wrench set, two jacks, flathead and philips screwdrivers,. in this video, you will see step by step instructions to remove the automatic or manual. remove relay lever and gear selector lever from gearbox as follows: . Mk4 Golf Gearbox Removal.
From workshop-manuals.com
Volkswagen Service and Repair Manuals > Golf Mk4 > Power Mk4 Golf Gearbox Removal remove relay lever and gear selector lever from gearbox as follows: in this video, you will see step by step instructions to remove the automatic or manual. Complete socket and wrench set, two jacks, flathead and philips screwdrivers,. use an offset phillips screwdriver to remove a screw in the back of the automatic control unit cover. . Mk4 Golf Gearbox Removal.
From www.myturbodiesel.com
Transmission removal on mk4 Jetta Golf New Beetle ALH TDI engine Mk4 Golf Gearbox Removal In a pinch, you can make this tool with a phillips driver bit and end wrench. otherwise the selector forks in the gearbox will fall apart and the gearbox will have to be disassembled again. mk4 golf jetta gti 1.8t transmission removal. pretty easy really. Disconnect everything off it (shafts, slave clyinder, starter, linkages etc) undo the. Mk4 Golf Gearbox Removal.
From workshop-manuals.com
Volkswagen Service and Repair Manuals > Golf Mk4 > Power Mk4 Golf Gearbox Removal use an offset phillips screwdriver to remove a screw in the back of the automatic control unit cover. remove relay lever and gear selector lever from gearbox as follows: Complete socket and wrench set, two jacks, flathead and philips screwdrivers,. pretty easy really. Disconnect everything off it (shafts, slave clyinder, starter, linkages etc) undo the bolts securing. Mk4 Golf Gearbox Removal.
From workshop-manuals.com
Volkswagen Service and Repair Manuals > Golf Mk4 > Power Mk4 Golf Gearbox Removal in this video, you will see step by step instructions to remove the automatic or manual. Disconnect everything off it (shafts, slave clyinder, starter, linkages etc) undo the bolts securing the. remove relay lever and gear selector lever from gearbox as follows: pretty easy really. In a pinch, you can make this tool with a phillips driver. Mk4 Golf Gearbox Removal.
From workshop-manuals.com
Volkswagen Service and Repair Manuals > Golf Mk4 > Power Mk4 Golf Gearbox Removal Complete socket and wrench set, two jacks, flathead and philips screwdrivers,. otherwise the selector forks in the gearbox will fall apart and the gearbox will have to be disassembled again. mk4 golf jetta gti 1.8t transmission removal. remove relay lever and gear selector lever from gearbox as follows: Disconnect everything off it (shafts, slave clyinder, starter, linkages. Mk4 Golf Gearbox Removal.
From workshop-manuals.com
Volkswagen Service and Repair Manuals > Golf Mk4 > Power Mk4 Golf Gearbox Removal remove relay lever and gear selector lever from gearbox as follows: In a pinch, you can make this tool with a phillips driver bit and end wrench. otherwise the selector forks in the gearbox will fall apart and the gearbox will have to be disassembled again. in this video, you will see step by step instructions to. Mk4 Golf Gearbox Removal.
From workshop-manuals.com
Volkswagen Manuals > Golf Mk4 > Power transmission > Automatic Mk4 Golf Gearbox Removal Disconnect everything off it (shafts, slave clyinder, starter, linkages etc) undo the bolts securing the. pretty easy really. otherwise the selector forks in the gearbox will fall apart and the gearbox will have to be disassembled again. mk4 golf jetta gti 1.8t transmission removal. In a pinch, you can make this tool with a phillips driver bit. Mk4 Golf Gearbox Removal.